NIKKEN CNC202T je oblíbený u výrobců vertikálních obráběcích center. Tato klasika NIKKEN přináší vynikající výkon pro otočný stůl s pneumatickým upínáním.
Rozdíl mezi CNC202 a CNC202T spočívá v tom, že motor je namontován na horní straně otočného stolu, ne na levou nebo pravou stranu, což nabízí řadu výhod, jako je maximalizace přístupu nebo dosažení mezních poloh.
Tento malý rozměr poskytuje přesně řešení, které potřebujete, aby se vaše stávající obráběcí centrum získalo čtvrtou osu, která zajistí značnou návratnost investic a zároveň vám umožní získat nesčetné množství nových zakázek, které byly dříve „mimo dosah“.
CNCZ202T je standardně dodáván s vysokorychlostním motorem, který může rychle přinést podstatnou návratnost investic.
Otočný stůl může být dodán s řadou motorů a ovladačů, aby vyhovoval vašim specifickým požadavkům - další informace najdete v sekci ke stažení .


NIKKEN Katalog Rotačních stolů
(PDF - 62.5 MB)
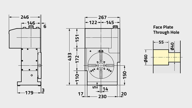
CNC202T | |
---|---|
Průměr příruby rotačního stolu [Ømm] | 200 |
Rozsah/Typ Rotačního stolu | Kompaktní |
Standardní orientace motoru (Levé umístění je možné u Pravých rotačních stolů) | Horní umístění |
Průměr vývrtu vřetena [Ømm H7] | 60 |
Počet vřeten x rozteč [mm] | 1 |
Výška středu [mm] | 150 |
Výška středu [mm] | 12 |
Upínací systém | VZDUCH |
Zpevňovací moment [Nm] | 303 |
Setrvačnost stolu na hřídeli motoru [Kg m2 x 103] | 1 |
Servomotor [min1] | αiF4·3000 |
Min. Přírustek [Degrees] | 0.001 |
Rychlost rotace [min1] | 25.0 (50.0) |
Celkový redukční poměr | 1/120 (1/60) |
Přesnost indexování [sec] | ±20 |
Přesnost indexování ultra přesné [sec] | - |
Čistá hmotnost [Kg] | 70 |
Maximální Vertikální zatížení stolu [Kg] | 100 |
Maximální Horizontální zatížení stolu [Kg] | - |
Maximální Horizontální přítlak působící na stůl [N] | 18000 |
Velikost kroutícího momentu šnekového kola bez brzdy (Dynamická síla) [FxL Nm] | 542 |
Maximální axiální zatížení na stůl [FxL Nm] | 690 |
Maximální nevyvážené zatížení (Vertikální s podporou) [Nm] | 50 |
Maximální pracovní setrvačnost [Kg m2] | 1.0 (0.5) |
kroutící moment [Nm] | 192 (153) |